「睡鎂人葉黃素」檢驗報告

雙效葉黃素食安檢驗

食得安心

•農藥殘留

•游離型葉黃素含量每包7.14mg(>6mg)




食得安心

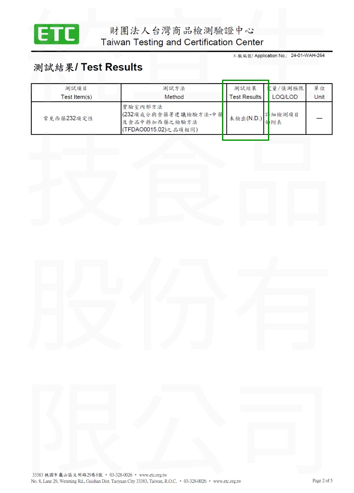
•塑化劑9項、不含西藥

檢出值:檢出值符合衛生福利部食品規範

葉黃素塑化劑9項檢驗報告葉黃素塑化劑9項檢驗報告
葉黃素西藥232項檢驗報告葉黃素西藥232項檢驗報告

最新優惠

兒童推薦鈣【成長鈣菌素】
專利超微米鈣,完整配方,含鎂、維生素K2及D3
初乳IgG乳酸菌
免疫球蛋白IgG、200億包埋型AB克菲爾益生菌有助調理體質
雙效【葉黃素+智利酒果】
每天1包含Lutein游離型葉黃素10mg、Zeaxanthin玉米黃素2mg
機器人葉黃素
每天1包含Lutein游離型葉黃素10mg、Zeaxanthin玉米黃素2mg、添加智利酒果萃取含珍貴花青素

更多資訊

icon_BackToTop