「閨密護蔓越莓」檢驗報告

「閨密護蔓越莓」檢驗報告

食得安心

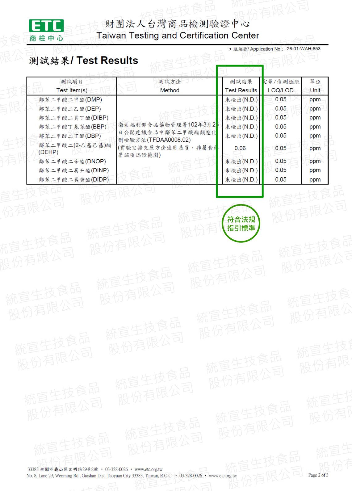
•塑化劑9項、重金屬(砷、鉛、汞、鎘)、不含西藥232項(雌激素)

第70項 Estradiol(雌二醇)

第71項 Estriol(雌三醇)

第72項 Estrone(雌酮)

第73項 Ethinylestradiol(乙炔雌醇)

第122項 Methyltestosterone(甲基睾酮)

第198項 Testosterone(睾酮)

第226項 孕激素相關藥物, Norgestrel


檢出值:檢出值符合衛生福利部食品規範

美之選閨密護蔓越莓乳酸菌檢驗報告_塑化劑檢驗報告美之選閨密護蔓越莓乳酸菌檢驗報告_塑化劑檢驗報告2
美之選閨密護蔓越莓乳酸菌檢驗報告_不含西藥雌激素檢驗報告
美之選閨密護蔓越莓乳酸菌檢驗報告_不含西藥雌激素檢驗報告
美之選閨密護蔓越莓乳酸菌檢驗報告_重金屬檢驗報告

最新優惠

免運【閨密護】蔓越莓乳酸菌
買2送2【閨密護】蔓越莓乳酸菌

更多資訊

icon_BackToTop